功能:
霍尔电流传感器主要适用于交流、直流、脉冲等复杂信号的隔离转换,通过霍尔效应原理使变换后的信号能够直接被AD、DSP、PLC、二次仪表等各种采集装置直接采集和接受,响应时间快,电流测量范围宽精度高,过载能力强,线性好,抗干扰能力强。
应用范围:
适用于电流监控及电池应用、逆变电源及太阳能电源管理系统、直流屏及直流马达驱动、电镀、焊接应用、变频器,UPS伺服控制等系统电流信号采集和反馈控制。
订货范例:
具体型号:AHKC-EKAA DC300A/4-20mA
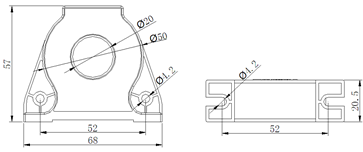
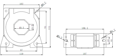
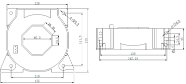
技术要求:额定输入DC300A;额定输出DC4-20mA;测量孔径φ20mm。
通讯协议:无
辅助电源:DC12V















